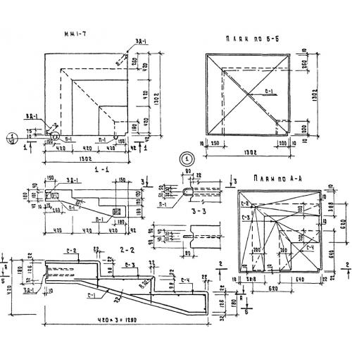
МЖ 1

Чертеж изделия:
Характеристики изделия:
ПараметрЗначение
длина1302 мм
ширина1302 мм
высота420 мм
вес750 кг
серияТП 320-55

МЖ 1 Элементы наружных лестниц. Малые архитектурные формы и элементы благоустройства улиц, дорог, площадей по серии ТП 320-55.