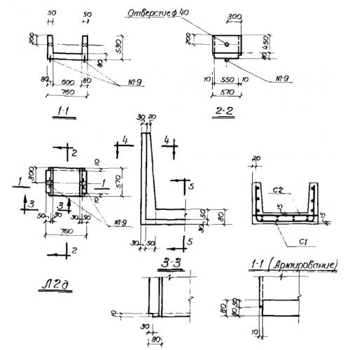
Л 2 д лотки доборные

Чертеж изделия:
Характеристики изделия:
ПараметрЗначение
длина760 мм
ширина570 мм
высота530 мм
масса180 кг
нормативный документСерия  ИС 01-04

Л 2 д   Железобетонные лотки доборные по Серии  ИС 01-04.