СБК-3.0

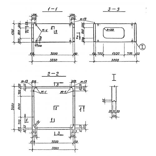
Чертеж изделия:
Характеристики изделия:
ПараметрЗначение
длина3260 мм
ширина3260 мм
высота1385 мм
масса4830 кг
нормативный документСерия 3.903 КЛ-13

СБК-3.0   Блоки камеры средние по Серии 3.903 КЛ-13.