ПС-1

Чертеж изделия:
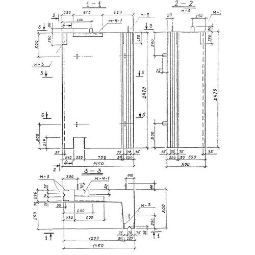
Характеристики изделия:
ПараметрЗначение
длина1450 мм
ширина800 мм
высота2470 мм
масса2880 кг
нормативный документСерия 3.903 КЛ-13

ПС-1  Панели стеновые по Серии 3.903 КЛ-13.