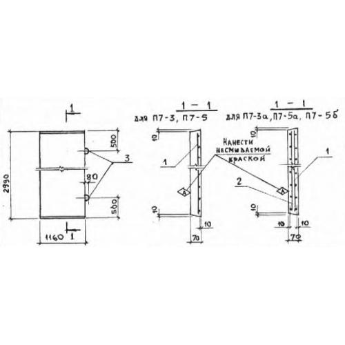
П 7 плита

Чертеж изделия:
Характеристики изделия:
ПараметрЗначение
длина2990 мм
ширина1160 мм
высота70 мм
масса610 кг
нормативный документСерия 3.900.1-12

П 7  Плиты перекрытия лотков по Серии 3.900.1-12.