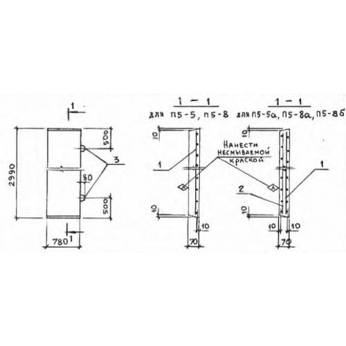
П 5 плита
Характеристики изделия:
| Параметр | Значение |
|---|---|
| длина | 2990 мм |
| ширина | 780 мм |
| высота | 70 мм |
| масса | Серия 3.900.1-12 |
Цена:
Рассчитать стоимостьП 5 Плиты перекрытия лотков по Серии 3.900.1-12.
| Параметр | Значение |
|---|---|
| длина | 2990 мм |
| ширина | 780 мм |
| высота | 70 мм |
| масса | Серия 3.900.1-12 |
П 5 Плиты перекрытия лотков по Серии 3.900.1-12.
