Р1

Чертеж изделия:
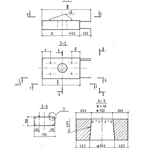
Характеристики изделия:
ПараметрЗначение
длина4050 мм
ширина1700 мм
высота700 мм
вес5600 кг
нормативный документСерия 3.503.1-95

Р1 Блоки ригеля по Серии 3.503.1-95.