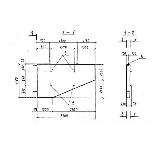
К 2

Чертеж изделия:
Характеристики изделия:
ПараметрЗначение
длина3700 мм
ширина2150 мм
высота200 мм
вес3200 кг
нормативный документСерия 3.503.1-95

К 2 Блок крыла по Серии 3.503.1-95.