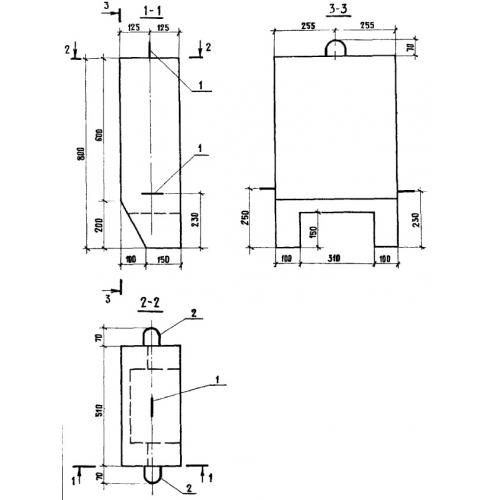
Б-9 блок

Чертеж изделия:
Характеристики изделия:
ПараметрЗначение
длина800 мм
ширина510 мм
высота250 мм
вес210 кг
серия3.503.1-66

Б-9 Блоки  упора по серии 3.503.1-66.