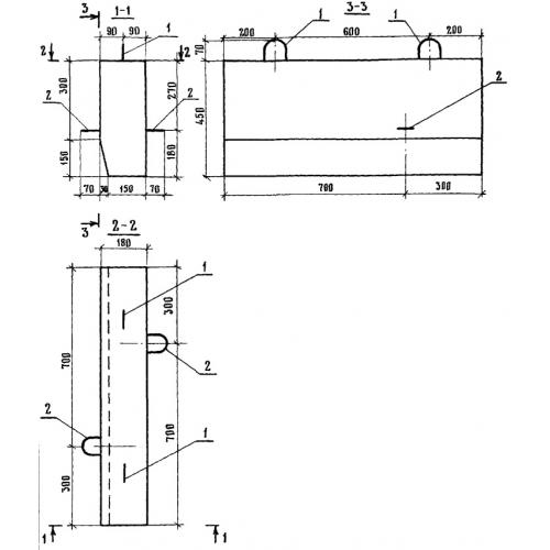
Б-5 блок

Чертеж изделия:
Характеристики изделия:
ПараметрЗначение
длина1000 мм
ширина450 мм
высота180 мм
вес190 кг
серия3.503.1-66

Б-5 Блоки  упора по серии 3.503.1-66.