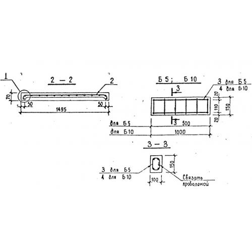
Б 10 Брус

Чертеж изделия:
Характеристики изделия:
ПараметрЗначение
длина1000 мм
ширина150 мм
высота100 мм
масса40 кг
нормативный документСерия 3.407.1-157

Б 10 Бруски кабельных каналов по Серии 3.407.1-157.