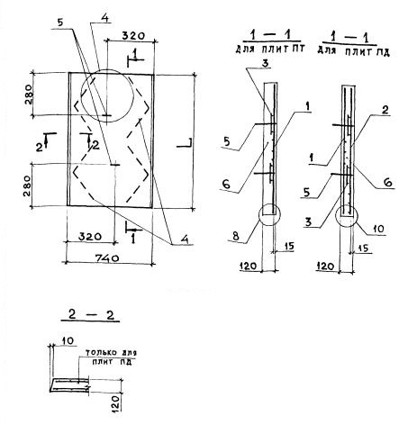
ПТ 75.120.12 плиты лотков

Чертеж изделия:
Характеристики изделия:
ПараметрЗначение
длина740 мм
ширина1180 мм
высота120 мм
масса260 кг
нормативный документСерия 3.006.1-8

ПТ 75.120.12  Плиты перекрытий каналов Серия 3.006.1-8.