П 7 плиты лотков
Характеристики изделия:
| Параметр | Значение |
|---|---|
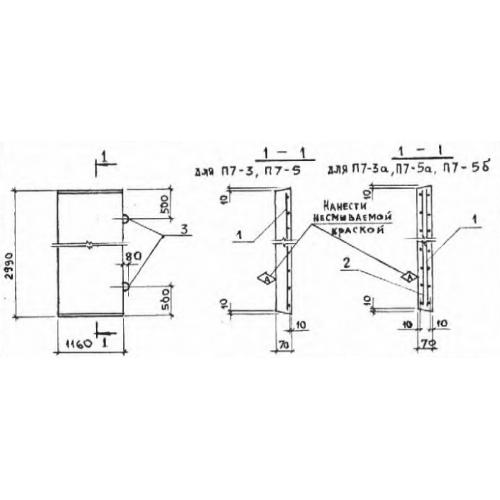
| длина | 2990 мм |
| ширина | 1160 мм |
| высота | 70 мм |
| масса | 610 кг |
| нормативный документ | Серия 3.006.1-2/87 |
Цена:
Рассчитать стоимостьП 7 Плиты перекрытия лотков Серия 3.006.1-2/87.
| Параметр | Значение |
|---|---|
| длина | 2990 мм |
| ширина | 1160 мм |
| высота | 70 мм |
| масса | 610 кг |
| нормативный документ | Серия 3.006.1-2/87 |
П 7 Плиты перекрытия лотков Серия 3.006.1-2/87.
