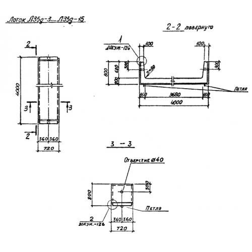
Л 35д

Чертеж изделия:
Характеристики изделия:
ПараметрЗначение
длина720 мм
ширина4000 мм
высота800 мм
масса800 мм
нормативный документСерия 3.006.1-2/82

Л 35д  Лотки теплотрасс доборные  Серия 3.006.1-2/82.