П 18
Характеристики изделия:
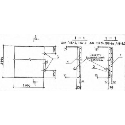
| Параметр | Значение |
|---|---|
| длина | 2990 мм |
| ширина | 2160 мм |
| высота | 150 мм |
| вес | 2420 кг |
| серия | 3.006-2 |
Цена:
Рассчитать стоимостьП 18 Плиты перекрытия лотков по серии 3.006-2.
| Параметр | Значение |
|---|---|
| длина | 2990 мм |
| ширина | 2160 мм |
| высота | 150 мм |
| вес | 2420 кг |
| серия | 3.006-2 |
П 18 Плиты перекрытия лотков по серии 3.006-2.
