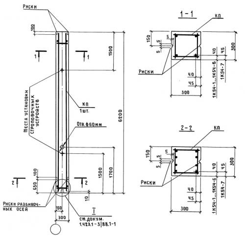
К 54 колонны
Характеристики изделия:
| Параметр | Значение |
|---|---|
| длина | 6200 мм |
| ширина | 300 мм |
| высота | 300 мм |
| масса | 1400 мм |
| нормативный документ | Серия 1.423-3 |
Цена:
Рассчитать стоимостьК 54 Колонны Серия 1.423-3.
| Параметр | Значение |
|---|---|
| длина | 6200 мм |
| ширина | 300 мм |
| высота | 300 мм |
| масса | 1400 мм |
| нормативный документ | Серия 1.423-3 |
К 54 Колонны Серия 1.423-3.
