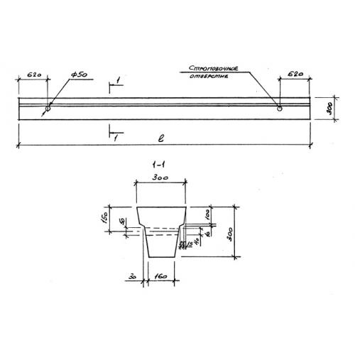
ФБ 60-30 балки фундаментные

Чертеж изделия:
Характеристики изделия:
ПараметрЗначение
длина5950 мм
ширина300 мм
высота300 мм
масса1000 кг
нормативный документСерия 1.415-1

ФБ 60-30  Балки фундаментные Серия 1.415-1.