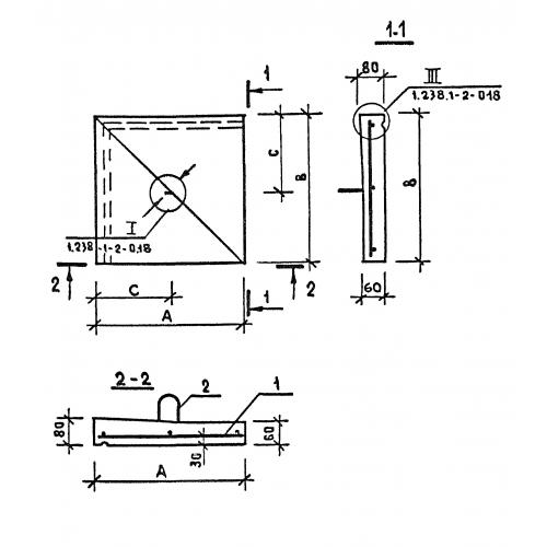
ППУ 5.5 плиты парапетные угловые
Характеристики изделия:
| Параметр | Значение |
|---|---|
| длина | 520 мм |
| ширина | 520 мм |
| высота | 80 мм |
| масса | 50 кг |
| нормативный документ | Серия 1.238.1-2 |
Цена:
Рассчитать стоимостьППУ 5.5 Плиты парапетные угловые Серия 1.238.1-2.
| Параметр | Значение |
|---|---|
| длина | 520 мм |
| ширина | 520 мм |
| высота | 80 мм |
| масса | 50 кг |
| нормативный документ | Серия 1.238.1-2 |
ППУ 5.5 Плиты парапетные угловые Серия 1.238.1-2.
