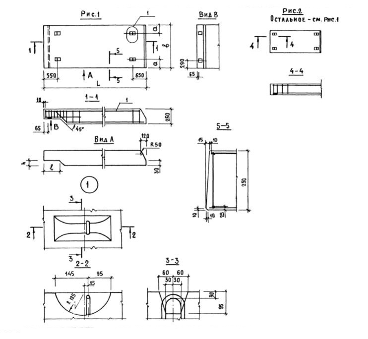
ПРТ 48.30.25
Характеристики изделия:
| Параметр | Значение |
|---|---|
| длина | 4780 мм |
| ширина | 2980 мм |
| высота | 250 мм |
| масса | 4680 кг |
| нормативный документ | Серия 1.165.1-12 |
Цена:
Рассчитать стоимостьПРТ 48.30.25 Плиты покрытия плоские для зданий с теплым чердаком Серия 1.165.1-12.