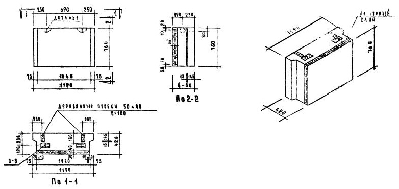
НБО-12.8.4

Чертеж изделия:
Характеристики изделия:
ПараметрЗначение
Длина1190 мм
Ширина420 мм
Высота760 мм
Масса680 кг
Нормативный документСерия 1.133-1

Стеновые легкобетонные блоки толщиной 50 см по Серии 1.133-1.

НБО-12.8.4  Подоконный блок.