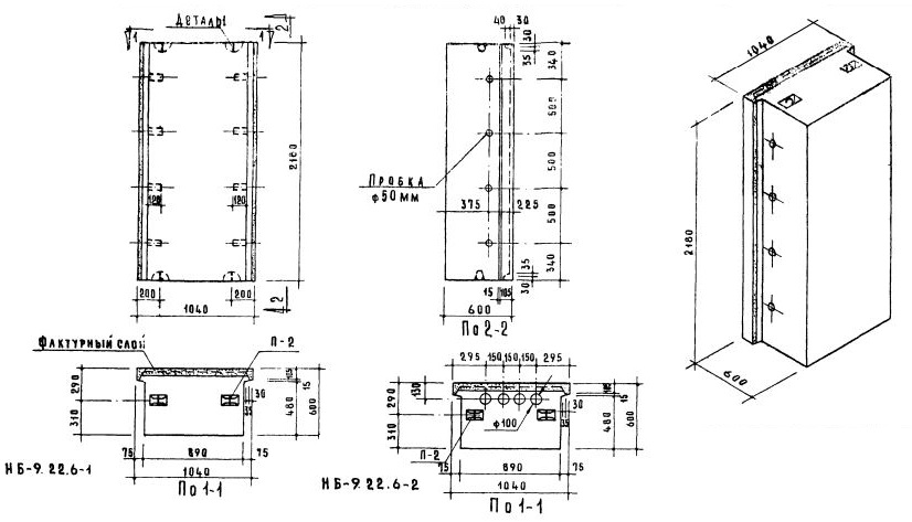
НБ-9.22.6-1

Чертеж изделия:
Характеристики изделия:
ПараметрЗначение
Длина1040 мм
Ширина600 мм
Высота2180 мм
Масса2345 кг
Нормативный документСерия 1.133-1

Стеновые легкобетонные блоки толщиной 60 см по Серии 1.133-1.

НБ-9.22.6-1   Простеночный блок.