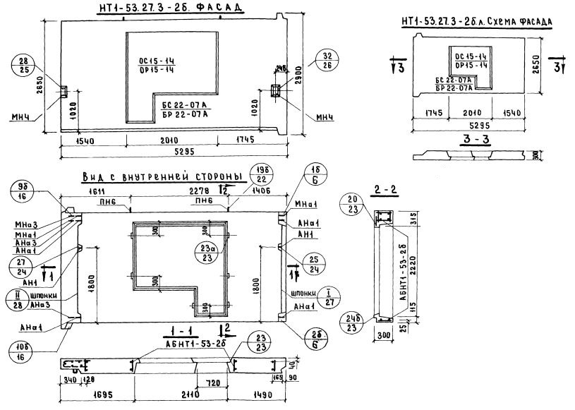
НТ1-53.27.3-2бл

Чертеж изделия:
Характеристики изделия:
ПараметрЗначение
Длина5295 мм
Ширина300 мм
Высота2650 мм
Масса4650 кг
Нормативный документСерия 1.132-1

НТ1-53.27.3-2бл   Наружная стеновая панель торцевая по Серии 1.132-1.