1ПСЦ 60.21.3,5-П-С

Чертеж изделия:
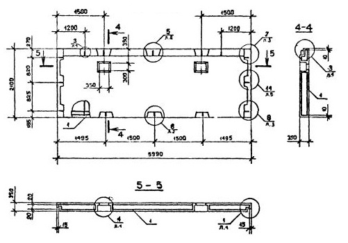
Характеристики изделия:
ПараметрЗначение
длина5990 мм
ширина350 мм
высота2100 мм
масса4990 кг
нормативный документСерия 1.090.1-2с

Панели наружных стен нулевого цикла однослойные (Серия 1.090.1-2с).

1ПСЦ 60.21.3,5-П-С Панели цокольные .

1-отличие в типах и расположении вертикальных торцов панели (зеркальность), наличие проема, наличие дополнительных анккеров.

П- бетон на пористых заполнителях,

С- для строительства в сейсмических районах.