ПС 67.180.40 панели стеновые

Чертеж изделия:
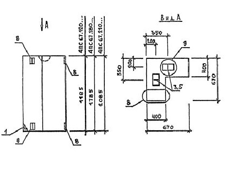
Характеристики изделия:
ПараметрЗначение
длина670 мм
ширина400 мм
высота1785 мм
масса940 кг
нормативный документСерия 1.030.1-1/88

ПС 67.180.40  Панели стеновые Серия 1.030.1-1/88.