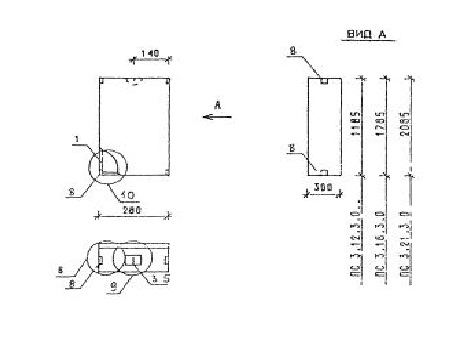
ПС 3.21.3.0 панели стеновые

Чертеж изделия:
Характеристики изделия:
ПараметрЗначение
длина280 мм
ширина300 мм
высота2085 мм
масса250 кг
нормативный документСерия 1.030.1-1/88

ПС 3.21.3.0  Панели стеновые Серия 1.030.1-1/88.