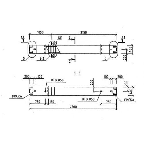
1КС 42 колонны

Чертеж изделия:
Характеристики изделия:
ПараметрЗначение
длина4200 мм
ширина400 мм
высота400 мм
масса1680 кг
нормативный документСерия 1.020-1/87

1КС 42  Колонны средние Серия 1.020-1/87.