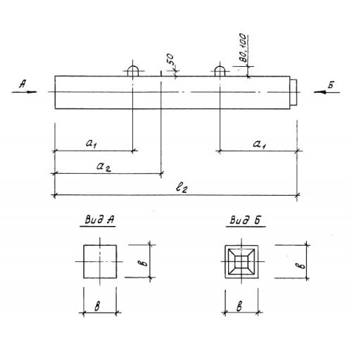
С 60.40

Чертеж изделия:
Характеристики изделия:
ПараметрЗначение
длина6000 мм
ширина400 мм
высота400 мм
вес2400 кг
серия1.011.1-10

С 60-40 Сваи составные верхние по серии 1.011.1-10.