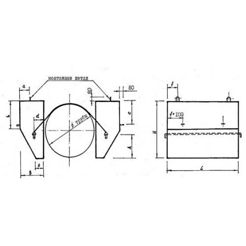
УБО 1420 утяжелители бетонные охватывающие

Чертеж изделия:
Характеристики изделия:
ПараметрЗначение
длина1200 мм
ширина600 мм
высота1600 мм
масса3783 кг
нормативный документПроект №999Б

УБО 1420 Утяжелители бетонные охватывающие Проект №999Б.