ТМ 10
Характеристики изделия:
| Параметр | Значение |
|---|---|
| длина | 220 мм |
| ширина | 530 мм |
| высота | 530 мм |
| масса | 34,6 кг |
| нормативный документ | ГОСТ 31416-2009 |
Цена:
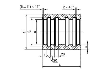
Рассчитать стоимостьТМ 10 Муфты хризотилцементные для напорных теплопроводов ГОСТ 31416-2009.
| Параметр | Значение |
|---|---|
| длина | 220 мм |
| ширина | 530 мм |
| высота | 530 мм |
| масса | 34,6 кг |
| нормативный документ | ГОСТ 31416-2009 |
ТМ 10 Муфты хризотилцементные для напорных теплопроводов ГОСТ 31416-2009.