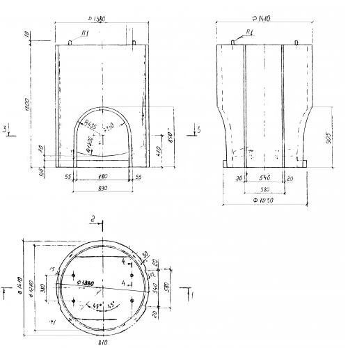
ВС 12 рабочие камеры водосточных колодцев
Характеристики изделия:
| Параметр | Значение |
|---|---|
| длина | 1410 мм |
| ширина | 1410 мм |
| высота | 1800 мм |
| масса | 1800 кг |
| нормативный документ | Альбом РК 2201-82 |
Цена:
Рассчитать стоимостьВС 12 Рабочие камеры водосточных колодцев Альбом РК 2201-82.
